Need Help? Contact Us Trade Customer? Register / Login
Maggiore Return To Door Round Rose Lever Handles - PVD Satin Bronze
Catalogue Number:
49300
Related Products
- Maggiore return to door round rose lever handles
- Suitable for commercial projects and public buildings
- Concealed bolt through fixings via screw on rose.
- Matching accessories available including standard escutcheons (keyhole covers) and a bathroom turn & release set.
How To Order Lever Handles With A Rose
- For Non-Locking Doors - 1 x (Pair) Lever Handles Only

- For Locking Doors - 1 x (Pair) Lever Handles Only + 2 x (Each) Standard Escutcheons

- For Euro Cylinder Locking Doors - 1 x (Pair) Lever Handles Only + 2 x (Each) Euro Escutcheons

- For Locking Bathroom Doors - 1 x Pair Lever Handles Only + 1 x (Set) Turn & Emergency Release

Matching Accessories
- Standard escutcheon - (key hole cover to suit regular "chubb style locks")
- Euro profile escutcheon - (key hole cover to suit euro profile cylinders)
- Turn & emergency release - (a thumbturn used to lock bathroom doors, WC's and toilet doors)
Base Material
- Brass
Finish
- PVD Satin Bronze
Operation
- Both levers are sprung to ensure the lever always returns to its starting position.
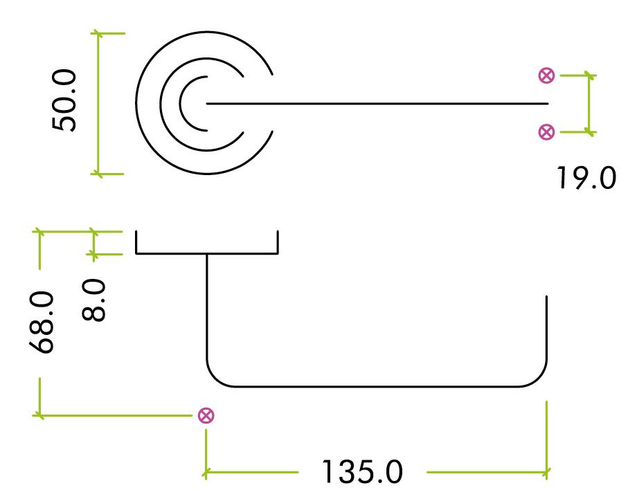
Dimensions

- Rose Diameter - 50mm
- Rose Thickness - 8mm
- Lever Length - 135mm
Spindle Size
- 8mm x 8mm square - UK Standard.
Fixings
- Concealed bolt together fixings via male and female bolts.
- Grub screw fixing to spindle for extra strength once fitted to the door.
- Comes supplied with male and female bolt through fixings and 8mm heso fixing spindle.
Usage
- Suitable for heavy duty commercial use.
- Suitable for internal or external use.
Unit Of Sale
- Lever handles are sold in pairs. (One pair consists of 1x left hand and 1x right hand).
| Item | 49300 |
|---|---|
| Item Code | 49300 |
| Finish | PVD Satin Bronze |
| Dimensions | 50mm Rose Diameter |
| Sold Per | Pair |
| Availability | Non stock product - Please allow 3 - 4 days for delivery |
Non stock product - Please allow 3 - 4 days for delivery
Related Products
-
SKU
Parliament Projection Hinges - Satin Chrome - 102 x 102mm / 102 x 127mm / 102 x 152mmStarting at £36.98 £30.82
-
SKU
ERA High Security British Standard BS3621 Rated - Night Latch With Ant-Thrust - Polished Brass PlatedStarting at £70.01 £58.34














