Need Help? Contact Us Trade Customer? Register / Login
Premium Sliding Door Gear System For Cupboard Doors - Doors Up To 70kg In Weight
Catalogue Number:
31271
- This premium quality twin track sliding door system for use with two or three doors and is ideal for sliding wardrobe doors.
- It can be used for two or three wardrobe doors and not only includes high quality door running gear, but also includes track with an integrated masking plate plus a full set of decorative silver aluminium door edging profiles for the perfect finish.
- Anodised aluminium track with integrated masking plate for a durable, highly decorative finish.
- Top and bottom mounted rollers on ball bearings, fitted to sprung chassis for extra smooth and quiet running.
- The sprung chassis makes fitting extremely easy and allows doors to be quickly removed and refitted.
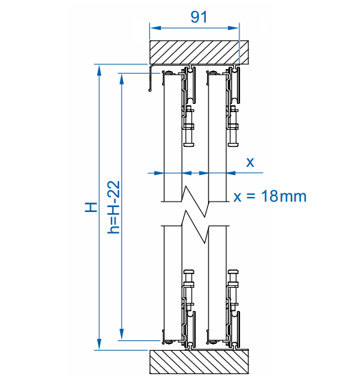
- Designed for use with 18mm MDF doors and will suit up to 70kg in weight.
- Tested to over 100,000 cycles - to BS EN152.
Kits Available To Suit 2 Door Systems

Kits Available To Suit 3 Door Systems

Track Lengths Available
| Item Code | Overall Track Length (L) | To Suit No. Of Doors | Maximum Door Weight (W) | Minimum Door Thickness (X) | Maximum Door Thickness (X) |
|---|---|---|---|---|---|
| 31271.1 | 1800mm | 2 | 70kg | 16mm | 18mm |
| 31271.2 | 2700mm | 3 | 70kg | 16mm | 18mm |
- Longer kits can be created by simply joining to kits "end on" (next to each other).
Dimensions


Fixing Options
- Designed for ceiling / floor mounting.

Items Included Within The Sliding Wardrobe Door Kit
- 1x Upper track
- 1x Bottom track
- 4x 2700mm long vertical profile handles for 2 door kits - (6x 2700mm vertical profile handles for 3 door kits).
- 2x Angle profile for 2 door kits - (3x Angle profiles for 3 door kits)
- 4x Sprung upper wheels for 2 door kits - (6 x Sprung upper wheels for 3 door kits)
- 4x Sprung bottom wheels for 2 door kits - (6 x Sprung bottom wheels for 3 door kits)
- 2x Wheel positioner for 2 door kits - (2 x Wheel positioner for 3 door kits)
Installation Video For The Sliding Wardrobe Door Kit
| Item | 31271 |
|---|---|
| Item Code | 31271 |
| Finish | Silver Track |
| Sold Per | Kit |
| Availability | Non stock product - sent direct from factory - please allow 2-3 working days for delivery |
Non stock product - sent direct from factory - please allow 2-3 working days for delivery











